- DRY COOLER - Systemy chłodzenia
- Płaszczowo-rurowe
JAD, JAD X, S, H - Wymiennik JAD - Budowa
- Basenowe B-line
TI (T-line), EVO, REV - Płaszczowo-rurowe P-line
- Płytowe lutowane L-line
LA, LB, LC, LD, LH, LM - Płytowe lutowane R-line
RA, RB, RC, RD - Płytowe lutowane LUNA
LA, LB, LC, LD - SafePLATE
LA, LB, LC - Płytowe skręcane PHE
- Wymienniki Rura w Rurze ST
- Wymienniki ciepła DNA
- Akcesoria dodatkowe
Izolacje (Otuliny),
Przeciwkołnierze,
Podpory,
Rurki dystrybucyjne,
Śrubunki - Instalacja wymienników ciepła
Wymienniki ciepła płytowe lutowane L-line
Zastosowanie
Wymienniki ciepła typu LA, LB, LC są stosowane w pompowych instalacjach centralnego ogrzewania i przygotowania ciepłej wody użytkowej, zasilanych w energię cieplną z wysokoparametrowych wodnych lub parowych systemów ciepłowniczych. Wymienniki mogą mieć również zastosowanie w instalacjach: wentylacyjnych, technologicznych, klimatyzacyjnych, w których płynem roboczym będzie woda, powietrze a także inne ciecze lub gazy obojętne po uprzednim uzgodnieniu z producentem. W układach zamkniętych należy zastosować wodę uzdatnioną a w otwartych urządzenia uzdatniające wodę, np. magnetyzer.
Typ LA, LB, LC, LD
Cennik LA
Cennik LB
Cennik LC
Cennik LD ![]()
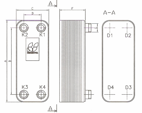
Budowa
Płytowe lutowane wymienniki ciepła typu LA, LB, LC są urządzeniami przepływowymi, przeciwprądowymi. Powierzchnię wymiany ciepła tworzą karbowane płyty ze stali nierdzewnej połączone w pakiet za pomocą lutu miedzianego. Odpowiednie ukształtowanie przestrzeni wewnętrznej wymiennika ukierunkowuje przepływ płynów wymieniających ciepło w co drugi kanał tworzony przez płyty grzewcze. W płytach osłonowych umiejscowione są króćce doprowadzające i odprowadzające płyny robocze. Wymienniki wykonane są w całości ze stali nierdzewnej jako konstrukcja nierozbieralna.
Kolory w nazwie modelu wymiennika oznaczają:
- - wymiennik płytowy lutowany
- - wielkość płyty grzewczej
- - ilość płyt grzewczych
- - wymiennik dwuprzejściowy, dla jednoprzejściowego brak oznaczenia
- - średnica przyłącza
Charakterystyka techniczna
| Typ | Materiał płyt | Ciśnienie obliczeniowe [MPa] | Kategoria urządzenia wg. PED/97/23* | Temperatura obliczeniowa [°C] | Pojemność jednego kanału [dm3] | Przepływ nominalny dla wody [m3/h] |
| LA14 | 1.4541, 1.4404, 1.4571, 1.4301 | 3,0 | SEP | 230 | 0,022 | 5,1 |
| LA22 | 1.4541, 1.4404, 1.4571, 1.4301 | 3,0 | SEP | 230 | 0,035 | 5,1 |
| LB31 | 1.4541, 1.4404, 1.4571 | 3,0 | (10-70) SEP, (80-150)1 | 230 | 0,047 | 12.8 |
| 1.4301 | 2,8 | |||||
| LB47 | 1.4541, 1.4404, 1.4571 | 3,0 | (10-40) SEP, (50-150)1 | 230 | 0,072 | 12.8 |
| 1.4301 | 2,8 | |||||
| LC110 | 1.4541, 1.4404, 1.4571 | 2,3 | (10-20) SEP, (30-100)1 (110-180) II | 200 | 0,162 | 32.5 |
| 1.4301 | 2,0 | (10-30) SEP, (40-120) I (130-180) II |
Rysunek
![]() |
|||||||||||||||
Standardowa lokalizacja przyłączy:
|









